DEHONG 德鸿 WTL280-018X20 远心镜头
基本参数
放大倍数(X)
0.18
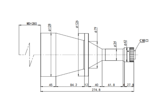
物距
280
景深(mm)
10
远心度
<0.1%
光学畸变
<0.1%
光圈
F6.3
MTF>0.3(LP/MM)
140
相机接口
C
支持CCD尺寸
1.1
最大外径
128
视野范围(mm x mm)
1.1 IMX253/304 (14.1*10.3)
78.8*57.2
1.1 IMX542 (14.5*8.3)
80.6*46.1
1.1 GAX0505 (12.8*12.8)
71.1*71.1

0755-83512170 手机/微信:13249819590 QQ:2577758288 邮箱:2577758288@qq.com