DEHONG 德鸿 WTL180-0265X10 远心镜头
基本参数
放大倍数(X)
0.265
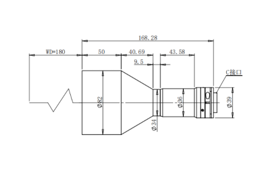
物距
180
景深(mm)
3.8
远心度
<0.1%
光学畸变
<0.1%
光圈
F12
MTF>0.3(LP/MM)
>120
相机接口
C
支持CCD尺寸
1
最大外径
82
视野范围(mm x mm)
1" CMV4000(11.26*11.26)
42.3*42.3
1" PYTHON5000 (12.4*9.8)
46.8*36.9
1" IMX255 (14.1*7.5)
53.2*28.3
1" IMX183 (13.1*8.7)
49.4*32.8

0755-83512170 手机/微信:13249819590 QQ:2577758288 邮箱:2577758288@qq.com