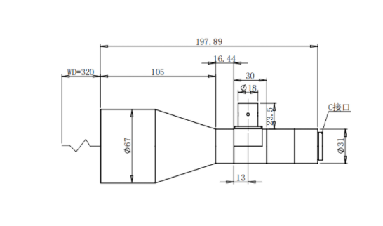
DEHONG 德鸿 WTL320-036T23 远心镜头
基本参数
放大倍数(X)
0.36
物距
320
景深(mm)
7.7
远心度
<0.1%
光学畸变
<0.1%
光圈
F11
MTF>0.3(LP/MM)
>100
相机接口
C
支持CCD尺寸
2/3
最大外径
67
视野范围(mm x mm)
2/3 IMX250/264 (8.4*7.1)
23.3*19.7
2/3 PYTHON2000 (9.2*5.7)
25.6*15.8
2/3 ICX674 (8.7*6.5)
24.4*18.3

0755-83512170 手机/微信:13249819590 QQ:2577758288 邮箱:2577758288@qq.com