DEHONG 德鸿 CHL06-60F 测量镜头
基本参数
放大倍数(X)
0.6
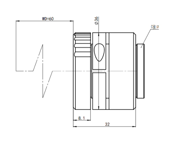
物距
60
景深(mm)
3
远心度
<0.1%
光学畸变
<0.1%
光圈
F8
MTF>0.3(LP/MM)
150
相机接口
C
支持CCD尺寸
2/3
最大外径
36
视野范围(mm x mm)
2/3 IMX250/264 (8.4*7.1)
14*11.8
2/3 PYTHON2000 (9.2*5.7)
15.3*9.5
2/3 ICX674 (8.7*6.5)
14.5*10.8

0755-83512170 手机/微信:13249819590 QQ:2577758288 邮箱:2577758288@qq.com