CR灿锐 XF-PTL04535-F-VI 远心镜头
| 光学结构 | 双远心 |
| 倍率X | 0.805 |
| 物方视野(mm) | 43.5 |
| 像方视野(mm) | 35 |
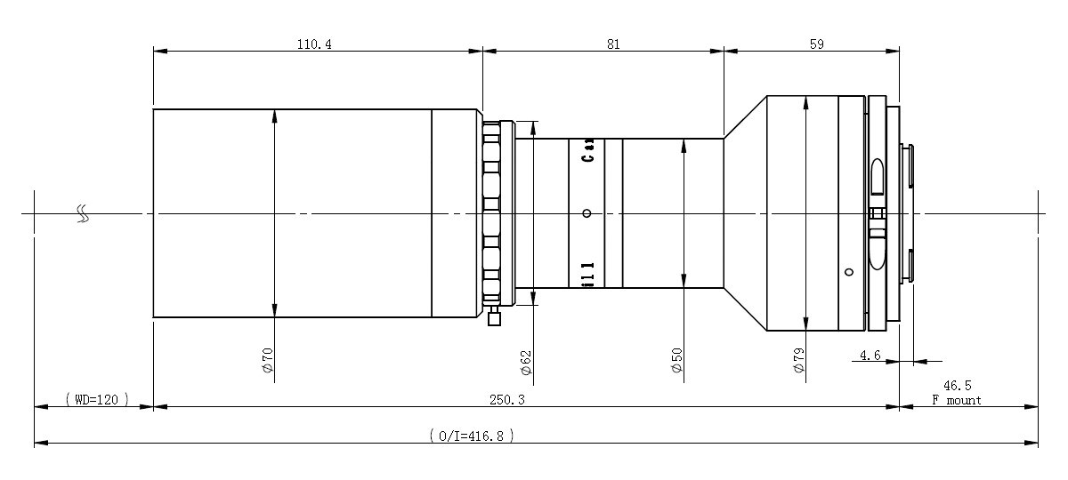
| 工作距离(mm) | 120 |
| 远心设计值(°) | 0.03 |
| 景深(mm) | 1.3-8 |
| 光圈 | F7.5-F46.7 |
| 分辨力(μm) | 6.2-38.32 |
| 光学畸变设计值(%) | 0.041 |
| O/I(mm) | 416.8 |
| 最大口径(mm) | 70 |
| 镜头总长(mm) | 250.3 |
| 芯片类型 | 120M |
| 芯片长 | 29.2 |
| 芯片宽 | 20.19 |
| 对角线 | 35.5 |
| 物方视野长 | 36.3 |
| 物方视野宽 | 25.1 |
| 镜头接口 | F接口 |

0755-83512170 手机/微信:13249819590 QQ:2577758288 邮箱:2577758288@qq.com