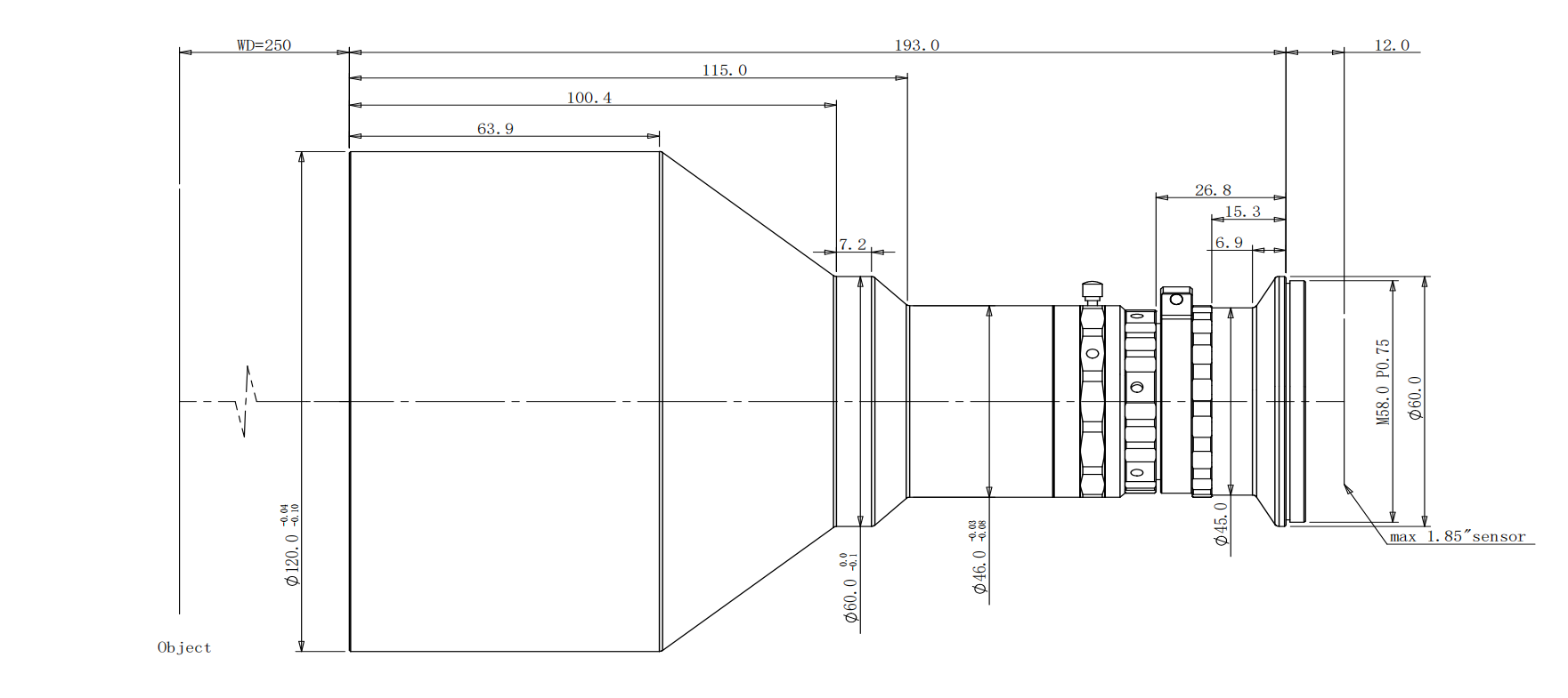
COOLENS视清 DTCA185-96-G-M58-AL 工业镜头
基本参数
支持CCD尺寸(Φmm)
30(1.85")
物方视场FOV(Φmm)
96.9
放大倍率β(x)
0.31
物方工作距WD(mm)
250
像方F/#
8-32
物方景深DOF(mm)
6.7-26.6
像方畸变(% max)
0.035
物方远心度(° max)
0.1
物像距I/O(mm)
455
镜头总长(mm)
193
镜头接口
M58
可变光栏
有
是否同轴光
否
视野范围(mmxmm)
1.75" IMX342 (22.3x16.7)
71.9x53.9
1.85" GSPRINT4521(23.0x18.4)
74.2x59.4

0755-83512170 手机/微信:13249819590 QQ:2577758288 邮箱:2577758288@qq.com