DEHONG 德鸿 WTL870-012X10-DZ 200线对远心镜头
基本参数
放大倍数(X)
0.12
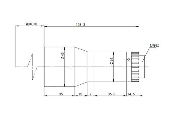
物距
870
景深(mm)
26
远心度
0.08
光学畸变
0.08
光圈
F6
MTF>0.3(LP/MM)
180
相机接口
C
支持CCD尺寸
1''
最大外径
45
视野范围(mm x mm)
1" CMV4000(11.26*11.26)
93.8*93.8
1" PYTHON5000 (12.4*9.8)
103.3*81.7
1" IMX255 (14.1*7.5)
117.5*58.3
1" IMX183 (13.1*8.7)
109.1*72.5

0755-83512170 手机/微信:13249819590 QQ:2577758288 邮箱:2577758288@qq.com