DEHONG 德鸿 WTL160-022X23G 远心镜头
基本参数
放大倍数(X)
0.22
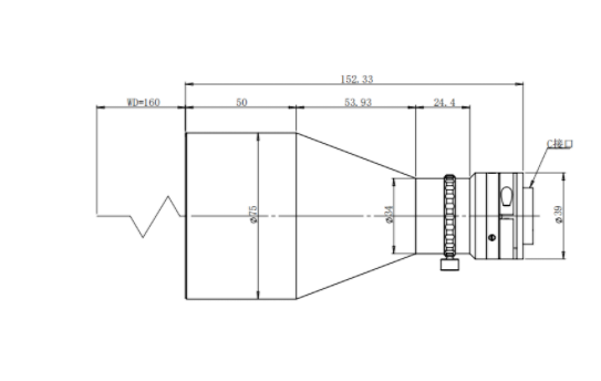
物距
160
远心度
<0.1
光学畸变
<0.1
光圈
可调节光圈
MTF>0.3(LP/MM)
120
相机接口
C
支持CCD尺寸
2/3
最大外径
75
视野范围(mm x mm)
2/3 IMX250/264 (8.4*7.1)
38.2*32.3
2/3 PYTHON2000 (9.2*5.7)
41.8*25.9
2/3 ICX674 (8.7*6.5)
39.5*29.5

0755-83512170 手机/微信:13249819590 QQ:2577758288 邮箱:2577758288@qq.com