DEHONG 德鸿 WTL60-035X23 远心镜头
基本参数
放大倍数(X)
0.35
物距
60
景深(mm)
8.2
远心度
<0.1%
光学畸变
<0.1%
光圈
F10
MTF>0.3(LP/MM)
>150
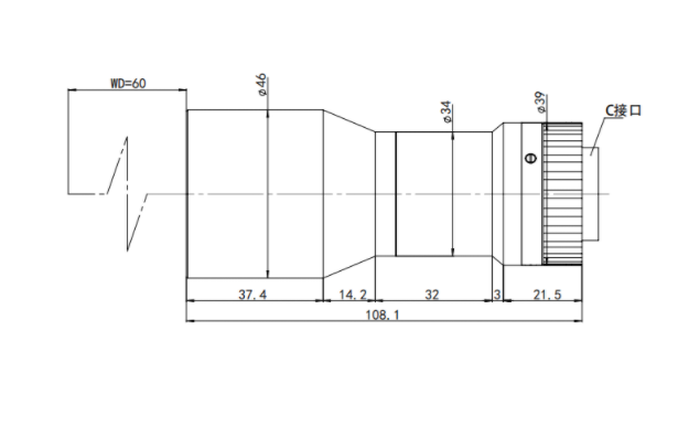
相机接口
C
支持CCD尺寸
2/3
最大外径
46
视野范围(mm x mm)
2/3 IMX250/264 (8.4*7.1)
24*20.3
2/3 PYTHON2000 (9.2*5.7)
26.3*16.3
2/3 ICX674 (8.7*6.5)
24.8*18.6

0755-83512170 手机/微信:13249819590 QQ:2577758288 邮箱:2577758288@qq.com