CR灿锐 XF-PTL31029-F 远心镜头
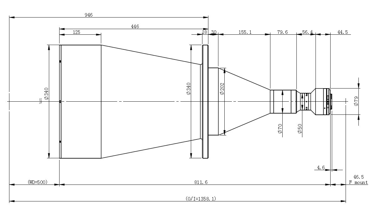
| 光学结构 | 双远心 |
| 倍率X | 0.0938 |
| 物方视野(mm) | 309.2 |
| 像方视野(mm) | 29 |
| 工作距离(mm) | 500 |
| 远心设计值(°) | 0.04 |
| 景深(mm) | 86.8 |
| 光圈 | F7 |
| 分辨力(μm) | 49.25 |
| 光学畸变设计值(%) | 0.04 |
| O/I(mm) | 1358.1 |
| 最大口径(mm) | 340 |
| 镜头总长(mm) | 811.6 |
| 芯片类型 | APS-C |
| 芯片长 | 22.5 |
| 芯片宽 | 16.9 |
| 对角线 | 28.1 |
| 物方视野长 | 239.9 |
| 物方视野宽 | 180.2 |
| 镜头接口 | F接口 |

0755-83512170 手机/微信:13249819590 QQ:2577758288 邮箱:2577758288@qq.com