DEHONG 德鸿 WTL105-055X30 远心镜头
基本参数
放大倍数(X)
0.55
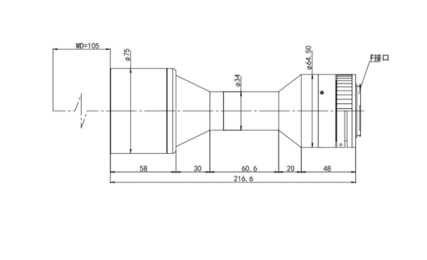
物距
105
景深(mm)
3.3
远心度
<0.1
光学畸变
<0.1
光圈
F12
MTF>0.3(LP/MM)
80
相机接口
F
支持CCD尺寸
2
最大外径
75
视野范围(mm x mm)
2" DALSA 12M (24.5*18.4)
44.7*33.5
2" PYTHON 25K (23*23)
41.9*41.9

0755-83512170 手机/微信:13249819590 QQ:2577758288 邮箱:2577758288@qq.com