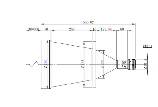
DEHONG 德鸿 WTL300-0152X30 远心镜头
基本参数
放大倍数(X)
0.152
物距
300
景深(mm)
27.1
远心度
<0.1
光学畸变
<0.1
光圈
F7.6
MTF>0.3(LP/MM)
120
相机接口
F
支持CCD尺寸
2
最大外径
290
视野范围(mm x mm)
2" DALSA 12M (24.5*18.4)
161.7*121.3
2" PYTHON 25K (23*23)
151.6*151.6

0755-83512170 手机/微信:13249819590 QQ:2577758288 邮箱:2577758288@qq.com