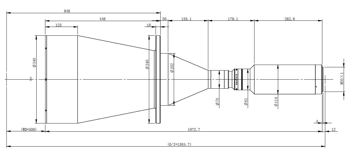
CR灿锐 XF-PTL31082-M95-12-VI 远心镜头
| 光学结构 | 双远心 |
| 倍率X | 0.279 |
| 物方视野(mm) | 293.9 |
| 像方视野(mm) | 82 |
| 工作距离(mm) | 500 |
| 远心设计值(°) | 0.04 |
| 景深(mm) | 19.2@F13.5 |
| 光圈 | F8-F111 |
| 分辨力(μm) | 31.9@F13.5 |
| 光学畸变设计值(%) | 0.041 |
| O/I(mm) | 1584.7 |
| 最大口径(mm) | 340 |
| 镜头总长(mm) | 1072.7 |
| 芯片类型 | 16k x 5μm |
| 芯片长 | / |
| 芯片宽 | / |
| 对角线 | 81.92 |
| 物方视野长 | 293.6 |
| 物方视野宽 | / |
| 镜头接口 | M95接口 |

0755-83512170 手机/微信:13249819590 QQ:2577758288 邮箱:2577758288@qq.com