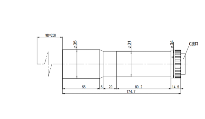
DEHONG 德鸿 DH250-05X31-18 超长物距镜头
基本参数
放大倍数(X)
0.5
物距
250
景深(mm)
4.9
远心度
<0.1%
光学畸变
<0.1%
光圈
F15
MTF>0.3(LP/MM)
80
相机接口
C
支持CCD尺寸
1.1
最大外径
35
视野范围(mm x mm)
1.1 IMX253/304 (14.1*10.3)
28.2*20.6
1.1 IMX542 (14.5*8.3)
29*16.6
1.1 GAX0505 (12.8*12.8)
25.6*25.6

0755-83512170 手机/微信:13249819590 QQ:2577758288 邮箱:2577758288@qq.com