DEHONG 德鸿 DH610-03X28-23 超长物距镜头
基本参数
放大倍数(X)
0.3
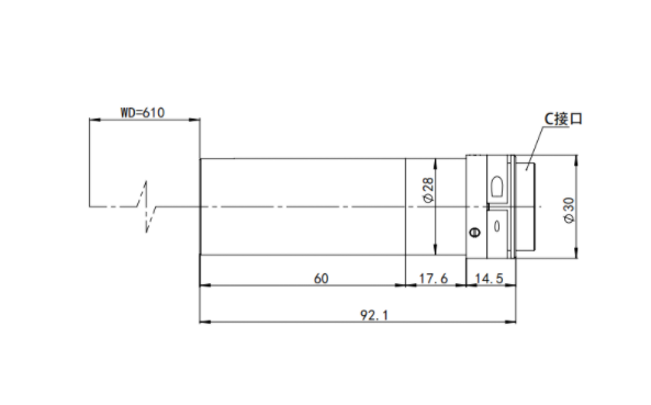
物距
610
景深(mm)
9.7
远心度
<0.1
光学畸变
<0.1
光圈
F10.6
MTF>0.3(LP/MM)
70
相机接口
C
支持CCD尺寸
2/3
最大外径
28
视野范围(mm x mm)
2/3 IMX250/264 (8.4*7.1)
28*23.7
2/3 PYTHON2000 (9.2*5.7)
30.7*19
2/3 ICX674 (8.7*6.5)
29*21.7

0755-83512170 手机/微信:13249819590 QQ:2577758288 邮箱:2577758288@qq.com