COOLENS视清 DTCA175-28.2C-128-M58-AL 工业镜头
基本参数
支持CCD尺寸(Φmm)
28.2(1.75")
物方视场FOV(Φmm)
28.2
放大倍率β(x)
1
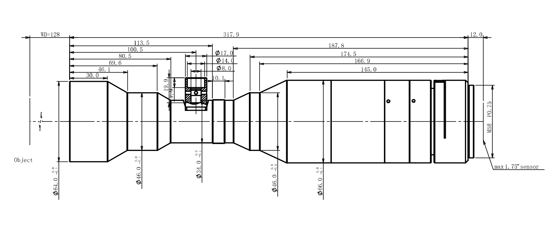
物方工作距WD(mm)
128
像方F/#
11
物方景深DOF(mm)
0.9
像方畸变(% max)
0.02
物方远心度(° max)
0.05
物像距I/O(mm)
458
镜头总长(mm)
317.9
镜头接口
M58
像方MTF30(lp/mm)
76
可变光栏
无
是否同轴光
是
视野范围(mmxmm)
1.75"CMV12000(22.53x16.90)
22.53×16.90
1.75" PYTHON16k (18.43x18.43)
18.43×18.43
1.75" LineScan-4k (28.8mm)
28.8

0755-83512170 手机/微信:13249819590 QQ:2577758288 邮箱:2577758288@qq.com