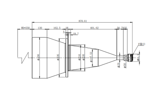
DEHONG 德鸿 WTL550-0096X57 远心镜头
基本参数
放大倍数(X)
0.096
物距
550
景深(mm)
77
远心度
<0.1
光学畸变
<0.1
光圈
8.6
MTF>0.3(LP/MM)
110
相机接口
F/M58
支持CCD尺寸
28mm
最大外径
356
视野范围(mm x mm)
1.75 CMV12000 (22.5*16.9)
234.4*176
1.75 PYTHON16K (18.4*18.4)
191.7*191.7
1.75 LiNeScan-4k(28.8)
300
1.75 IMX342 (22.3*16.7)
242.7*174

0755-83512170 手机/微信:13249819590 QQ:2577758288 邮箱:2577758288@qq.com