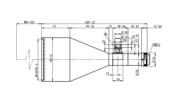
DEHONG 德鸿 WTL150-013T23 远心镜头
基本参数
放大倍数(X)
0.13
物距
150
景深(mm)
18
远心度
<0.1%
光学畸变
<0.1%
光圈
F4.3
MTF>0.3(LP/MM)
>120
相机接口
C
支持CCD尺寸
2/3
最大外径
112
视野范围(mm x mm)
2/3 IMX250/264 (8.4*7.1)
64.6*54.6
2/3 PYTHON2000 (9.2*5.7)
70.8*43.8
2/3 ICX674 (8.7*6.5)
67.7*50.8

0755-83512170 手机/微信:13249819590 QQ:2577758288 邮箱:2577758288@qq.com