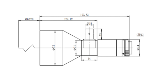
DEHONG 德鸿 WTL220-036T20 远心镜头
基本参数
放大倍数(X)
0.36
物距
220
景深(mm)
5.1
远心度
<0.1
光学畸变
<0.1
光圈
F8
MTF>0.3(LP/MM)
115
相机接口
C
支持CCD尺寸
1.1
最大外径
72
视野范围(mm x mm)
1.1 IMX253/304 (14.1*10.3)
38.9*28.6
1.1 IMX542 (14.5*8.3)
40.3*23
1.1 GAX0505 (12.8*12.8)
35.6*35.6

0755-83512170 手机/微信:13249819590 QQ:2577758288 邮箱:2577758288@qq.com