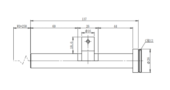
DEHONG 德鸿 DH250-15T16 视觉定位镜头
基本参数
放大倍数(X)
1.5
物距
250
景深(mm)
1.1
远心度
<0.1%
光学畸变
<0.1%
光圈
F30
MTF>0.3(LP/MM)
50
相机接口
C
支持CCD尺寸
1/2
最大外径
16
视野范围(mm x mm)
1/3 ICX445 (4.8*3.6)
3.2*2.4
1/2 python1300 (6.1*4.9)
4.1*3.3

0755-83512170 手机/微信:13249819590 QQ:2577758288 邮箱:2577758288@qq.com