DEHONG 德鸿 WTL350-02X10-16 200线对远心镜头
基本参数
放大倍数(X)
0.2
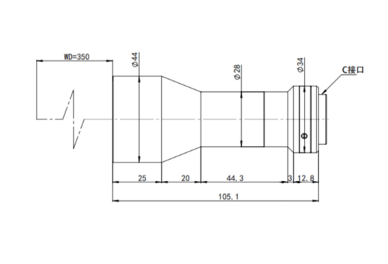
物距
350
景深(mm)
17.2
远心度
0.08
光学畸变
0.08
光圈
8.3
MTF>0.3(LP/MM)
200
相机接口
C
支持CCD尺寸
1
最大外径
44
视野范围(mm x mm)
1" CMV4000(11.26*11.26)
56.3*56.3
1" PYTHON5000 (12.4*9.8)
62*49
1" IMX255 (14.1*7.5)
71*37.6
1" IMX183 (13.1*8.7)
65.7*43.8

0755-83512170 手机/微信:13249819590 QQ:2577758288 邮箱:2577758288@qq.com