DEHONG 德鸿 DH40-05F16 视觉定位镜头
基本参数
放大倍数(X)
0.5
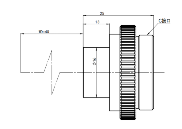
物距
40
景深(mm)
3.7
远心度
<0.1%
光学畸变
<0.1%
光圈
F11.36
MTF>0.3(LP/MM)
50
相机接口
C
支持CCD尺寸
1/2
最大外径
16
视野范围(mm x mm)
1/3 ICX445 (4.8*3.6)
9.6*7.2
1/2 python1300 (6.1*4.9)
12.2*9.8

0755-83512170 手机/微信:13249819590 QQ:2577758288 邮箱:2577758288@qq.com