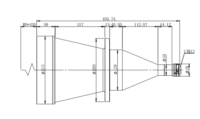
DEHONG 德鸿 WTL420-0039X25 远心镜头
基本参数
放大倍数(X)
0.039
物距
420
景深(mm)
20
远心度
<0.1%
光学畸变
<0.1%
光圈
F5
MTF>0.3(LP/MM)
120
相机接口
C
支持CCD尺寸
1/2.5
最大外径
215
视野范围(mm x mm)
1/2.5 9Pool/31 (5.7*4.2)
146.2*109.7

0755-83512170 手机/微信:13249819590 QQ:2577758288 邮箱:2577758288@qq.com