DEHONG 德鸿 WTL140-12X20 远心镜头
基本参数
放大倍数(X)
1.2
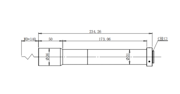
物距
140
景深(mm)
0.7
远心度
<0.1%
光学畸变
<0.1%
光圈
F11
MTF>0.3(LP/MM)
>100
相机接口
C
支持CCD尺寸
1.1
最大外径
36
视野范围(mm x mm)
1.1 IMX253/304 (14.1*10.3)
11.7*8.6
1.1 IMX542 (14.5*8.3)
12.1*6.9
1.1 GAX0505 (12.8*12.8)
10.7*10.7

0755-83512170 手机/微信:13249819590 QQ:2577758288 邮箱:2577758288@qq.com