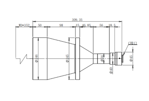
DEHONG 德鸿 WTL352-016X20 远心镜头
基本参数
放大倍数(X)
0.16
物距
352
景深(mm)
17.08
远心度
<0.1
光学畸变
<0.1
光圈
5.3
MTF>0.3(LP/MM)
180
相机接口
C
支持CCD尺寸
1.1‘’
最大外径
146
视野范围(mm x mm)
1.1 IMX253/304 (14.1*10.3)
88.1*64.4
1.1 IMX542 (14.5*8.3)
90.6*51.9
1.1 GAX0505 (12.8*12.8)
80*80

0755-83512170 手机/微信:13249819590 QQ:2577758288 邮箱:2577758288@qq.com