DEHONG 德鸿 WTL490-01X57 远心镜头
基本参数
放大倍数(X)
0.1
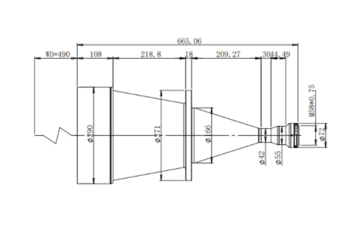
物距
490
景深(mm)
68.8
远心度
<0.1
光学畸变
<0.1
光圈
F8.3
MTF>0.3(LP/MM)
120
相机接口
M58
支持CCD尺寸
28mm
最大外径
290
视野范围(mm x mm)
1.75 CMV12000 (22.5*16.9)
225*169
1.75 PYTHON16K (18.4*18.4)
184.3*184.3
1.75 LiNeScan-4k(28.8)
288

0755-83512170 手机/微信:13249819590 QQ:2577758288 邮箱:2577758288@qq.com