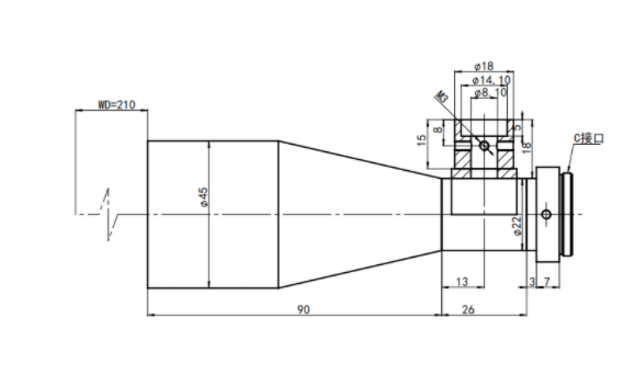
DEHONG 德鸿 DH210-022T50 超长物距镜头
基本参数
放大倍数(X)
0.22
物距
210
景深(mm)
14
远心度
<0.1%
光学畸变
<0.1%
光圈
F8.36
MTF>0.3(LP/MM)
80
相机接口
C
支持CCD尺寸
2/3
最大外径
45
视野范围(mm x mm)
2/3 IMX250/264 (8.4*7.1)
38.2*32.3
2/3 PYTHON2000 (9.2*5.7)
41.8*25.9
2/3 ICX674 (8.7*6.5)
39.5*29.5

0755-83512170 手机/微信:13249819590 QQ:2577758288 邮箱:2577758288@qq.com