DEHONG 德鸿 DH110-2T28X 高分辨率远心镜头
基本参数
放大倍数(X)
2
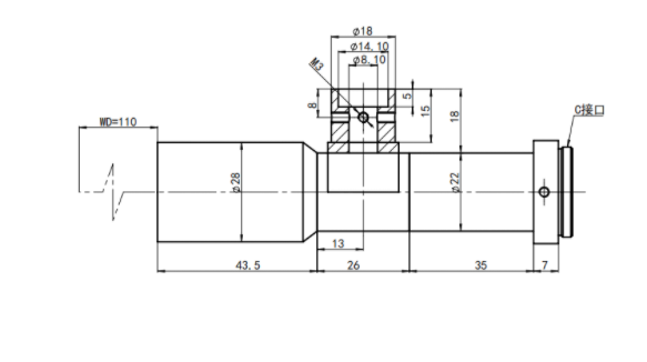
物距
110
景深(mm)
0.9
远心度
<0.1%
光学畸变
<0.1%
光圈
F15
MTF>0.3(LP/MM)
60
相机接口
C
支持CCD尺寸
2/3
最大外径
28
视野范围(mm x mm)
2/3 IMX250/264 (8.4*7.1)
4.2*3.5
2/3 PYTHON2000 (9.2*5.7)
4.6*2.8
2/3 ICX674 (8.7*6.5)
4.3*3.2

0755-83512170 手机/微信:13249819590 QQ:2577758288 邮箱:2577758288@qq.com