DEHONG 德鸿 WTL105-35F35G 远心镜头
基本参数
放大倍数(X)
3.5
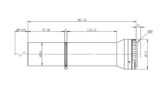
物距
105
景深(mm)
0.04
远心度
<0.1
光学畸变
<0.1
光圈
6-24
MTF>0.3(LP/MM)
4.5-75
相机接口
M58
支持CCD尺寸
43
最大外径
56
视野范围(mm x mm)
1.75 LiNeScan-4k(28.8)
8.2
KAI43142 (36*24)
10.3*6.9
8K‘’(8192*5um)
11.7

0755-83512170 手机/微信:13249819590 QQ:2577758288 邮箱:2577758288@qq.com