DEHONG 德鸿 WTL221-0274X20-D 远心镜头
基本参数
放大倍数(X)
0.274
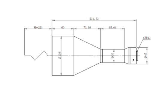
物距
221
景深(mm)
7.53
远心度
<0.1
光学畸变
<0.1
光圈
6.85
MTF>0.3(LP/MM)
150
相机接口
C
支持CCD尺寸
1.1‘’
最大外径
108
视野范围(mm x mm)
1.1 IMX253/304 (14.1*10.3)
51.5*37.6
1.1 IMX542 (14.5*8.3)
52.9*30.3
1.1 GAX0505 (12.8*12.8)
46.7*46.7

0755-83512170 手机/微信:13249819590 QQ:2577758288 邮箱:2577758288@qq.com