DEHONG 德鸿 WTL500-016X6 远心镜头
基本参数
放大倍数(X)
0.16
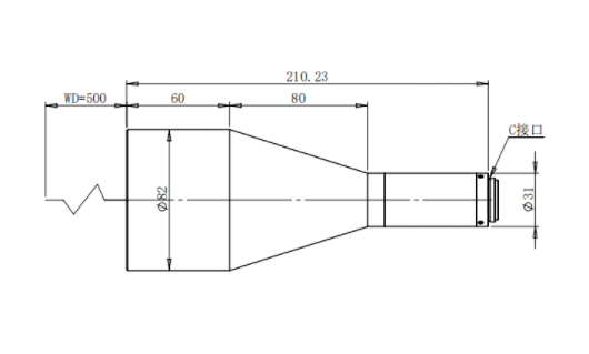
物距
500
景深(mm)
18.4
远心度
<0.1
光学畸变
<0.1
光圈
F5.7
MTF>0.3(LP/MM)
100
相机接口
C
支持CCD尺寸
1/2
最大外径
82
视野范围(mm x mm)
1/2.5 9Pool/31 (5.7*4.2)
35.6*26.2
1/2 python1300 (6.1*4.9)
38*30.6

0755-83512170 手机/微信:13249819590 QQ:2577758288 邮箱:2577758288@qq.com