HAMAMATSU滨松 R13478 光电倍增管
| 类型 | 端窗型 |
|---|---|
| 特点 | 快速响应 |
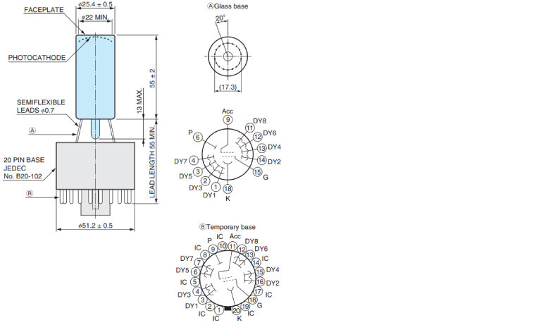
| 管子尺寸 | 25 mm 直径 |
| 光阴极面区域形状 | 圆形 |
| 光阴极面区域尺寸 | 22 mm 直径 |
| 波长(短) | 300 nm |
| 波长(长) | 650 nm |
| 波长(峰值) | 420 nm |
| 光谱灵敏度特性曲线代码 | 400K |
| 光阴极面材料 | 双碱 |
| 窗材 | 硼硅玻璃 |
| 倍增器电极结构 | 线状聚光 |
| 倍增器电极级数 | 8 |
| [Max. Rating] 阳极至阴极电压 | 1750 V |
| [Max. Rating] 平均阳极电流 | 0.1 mA |
| 阳极至阴极电源电压 | 1500 V |
| [Cathode] 亮度灵敏度最小值 | 70 μA/lm |
| [Cathode] 亮度灵敏度典型值 | 95 μA/lm |
| [Cathode] 蓝敏度指数 (CS 5-58) 典型值 | 10 |
| [Cathode] 辐射灵敏度典型值 | 80 mA/W |
| [Anode] 亮度灵敏度典型值 | 50 A/lm |
| [Anode] 辐射灵敏度典型值 | 4.2 x 104 A/W |
| [Anode] 增益率典型值 | 5.3 x 105 |
| [Anode] 暗电流(30 分钟后) 典型值 | 3 nA |
| [Anode] 暗电流(30 分钟后) 最大值 | 30 nA |
| [Time Response] 上升时间典型值 | 0.9 ns |
| [Time Response] 渡越时间典型值 | 9.1 ns |
| [Time Response] 渡越时间分散度典型值 | 0.13 ns |
| [Anode] 脉冲线性度(2% 偏移) | 10 mA |
| [Anode] 脉冲线性度(5% 偏移) | 25 mA |

0755-83512170 手机/微信:13249819590 QQ:2577758288 邮箱:2577758288@qq.com