DEHONG 德鸿 WTL370-0258F62 远心镜头
基本参数
放大倍数(X)
0.258
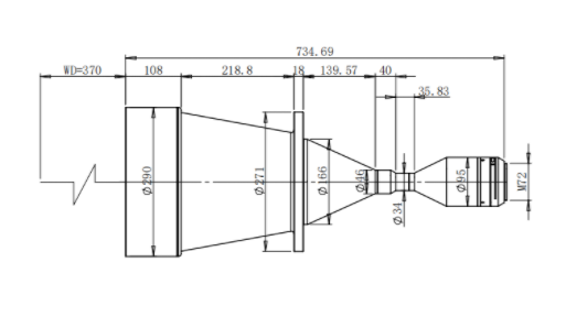
物距
370
景深(mm)
15.99
远心度
<0.1
光学畸变
<0.1
光圈
12.9
MTF>0.3(LP/MM)
95
相机接口
M72
支持CCD尺寸
62''
最大外径
290
视野范围(mm x mm)
KAI43142 (36*24)
139.5*93
KAI-47051 (48.7*29)
188.8*112.4
62'' 12K线扫描12288*5UM
238

0755-83512170 手机/微信:13249819590 QQ:2577758288 邮箱:2577758288@qq.com