COOLENS视清 DTCA185-81-G-M58-AL 工业镜头
基本参数
支持CCD尺寸(Φmm)
30(1.85")
物方视场FOV(Φmm)
81
放大倍率β(x)
0.37
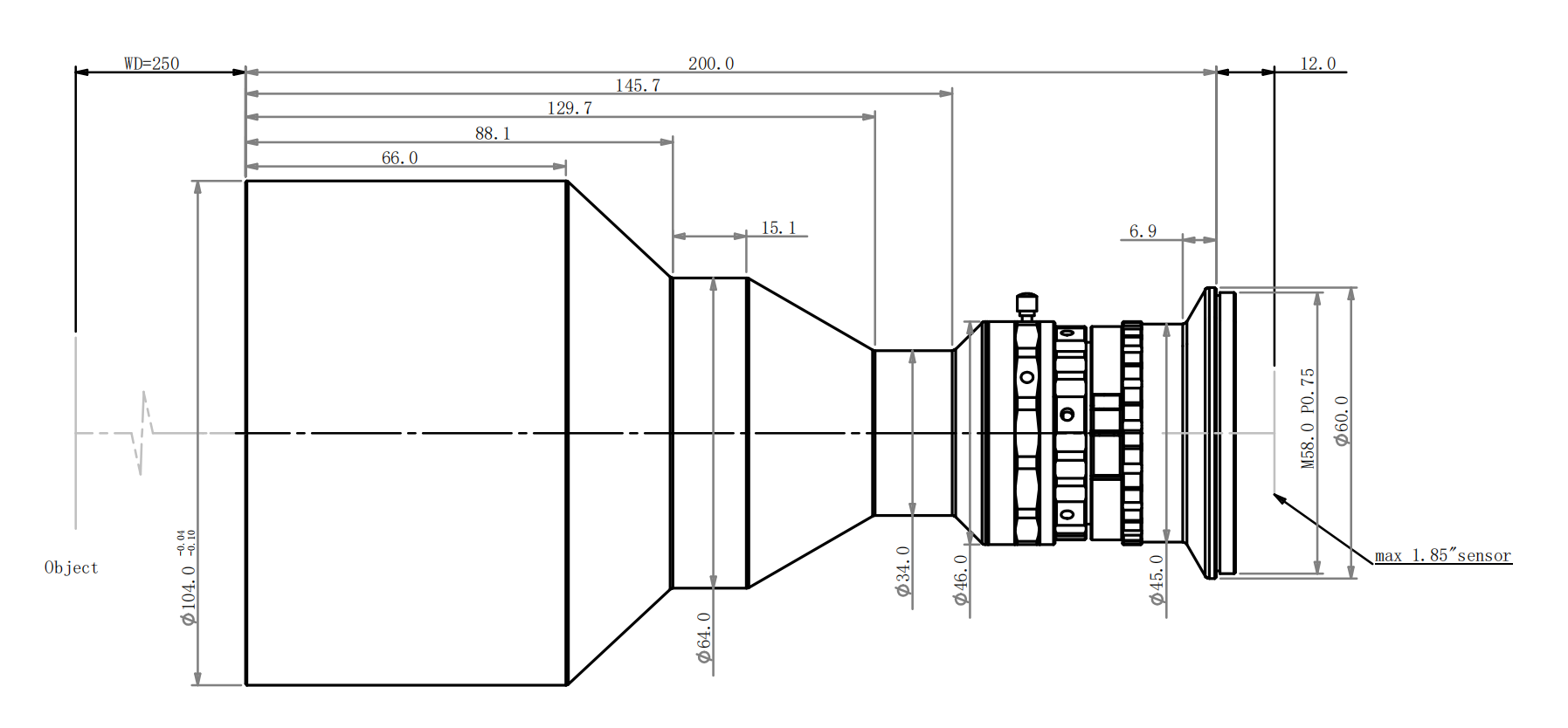
物方工作距WD(mm)
250
像方F/#
8-32
像方畸变(% max)
0.02
物方远心度(° max)
0.1
物像距I/O(mm)
462
镜头总长(mm)
200
镜头接口
M58
像方MTF30(lp/mm)
114-30
可变光栏
有
是否同轴光
否
视野范围(mmxmm)
1.75"CMV12000(22.53x16.90)
60.9×40.9
1.75" PYTHON16k (18.43x18.43)
49.8×49.8
1.75" LineScan-4k (28.8mm)
77.8

0755-83512170 手机/微信:13249819590 QQ:2577758288 邮箱:2577758288@qq.com