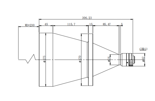
DEHONG 德鸿 WTL230-006X6 远心镜头
基本参数
放大倍数(X)
0.06
物距
230
景深(mm)
33
远心度
<0.1%
光学畸变
<0.1%
光圈
F4.8
MTF>0.3(LP/MM)
150
相机接口
C
支持CCD尺寸
1/2
最大外径
175
视野范围(mm x mm)
1/2.5 9Pool/31 (5.7*4.2)
95*71.3
1/2 python1300 (6.1*4.9)
101.7*81.7

0755-83512170 手机/微信:13249819590 QQ:2577758288 邮箱:2577758288@qq.com