DEHONG 德鸿 WTL105-5X20 远心镜头
基本参数
放大倍数(X)
5
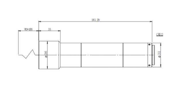
物距
105
景深(mm)
0.08
远心度
<0.1
光学畸变
<0.1
光圈
F25
MTF>0.3(LP/MM)
45
相机接口
C
支持CCD尺寸
1.1
最大外径
36
视野范围(mm x mm)
1.1 IMX253/304 (14.1*10.3)
2.8*2.0
1.1 IMX542 (14.5*8.3)
2.9*1.7
1.1 GAX0505 (12.8*12.8)
2.6*2.6

0755-83512170 手机/微信:13249819590 QQ:2577758288 邮箱:2577758288@qq.com