DEHONG 德鸿 WTL185-40T20 远心镜头
基本参数
放大倍数(X)
4
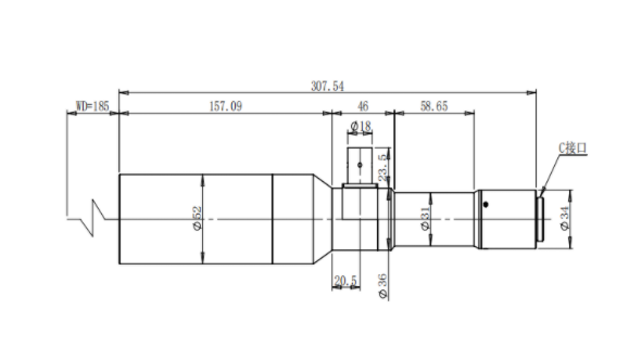
物距
185
景深(mm)
0.04
远心度
<0.1%
光学畸变
<0.1%
光圈
F21
MTF>0.3(LP/MM)
55
相机接口
C
支持CCD尺寸
1.1
最大外径
52
视野范围(mm x mm)
1.1 IMX253/304 (14.1*10.3)
3.5*2.6
1.1 IMX542 (14.5*8.3)
3.6*2.1
1.1 GAX0505 (12.8*12.8)
3.2*3.2

0755-83512170 手机/微信:13249819590 QQ:2577758288 邮箱:2577758288@qq.com