DEHONG 德鸿 WTL140-0165X23G 远心镜头
基本参数
放大倍数(X)
0.165
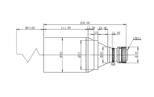
物距
140
远心度
<0.1%
光学畸变
<0.1%
光圈
可调光圈
MTF>0.3(LP/MM)
160
相机接口
C
支持CCD尺寸
2/3"
最大外径
85
视野范围(mm x mm)
2/3 IMX250/264 (8.4*7.1)
50.9*43
2/3 PYTHON2000 (9.2*5.7)
55.8*34.5
2/3 ICX674 (8.7*6.5)
52.7*39.4

0755-83512170 手机/微信:13249819590 QQ:2577758288 邮箱:2577758288@qq.com