DEHONG 德鸿 WTL410-012X-DZ11 200线对远心镜头
基本参数
放大倍数(X)
0.12
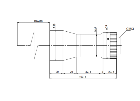
物距
410
景深(mm)
16
远心度
0.08
光学畸变
0.08
光圈
F5.5
MTF>0.3(LP/MM)
120
相机接口
C
支持CCD尺寸
2/3
最大外径
45
视野范围(mm x mm)
2/3 IMX250/264 (8.4*7.1)
70*59.1
2/3 PYTHON2000 (9.2*5.7)
76.7*47.5
2/3 ICX674 (8.7*6.5)
72.5*54.2

0755-83512170 手机/微信:13249819590 QQ:2577758288 邮箱:2577758288@qq.com