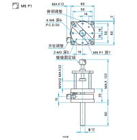
SIGMA 西格玛       KKD-60PHRO        棱镜镜架
  • SIGMA 西格玛       KKD-60PHRO        棱镜镜架

SIGMA 西格玛 KKD-60PHRO 棱镜镜架

SIGMA 西格玛       KKD-60PHRO        棱镜镜架


更多信息
目录编号W4025
RoHS
CE
资料下载


图纸下载



信息▶可提供不含固定棱镜机构和立柱的小型薄型平台(KKD-C)。
WEB参照/カタログコードW7111
▶承接定制更改立柱长度。(如订货时指定了立柱长度的话,我们负责更换度后出货。)立柱长度相差大,也许会收取一定的差额费用,详情请咨询。
注意▶使用KKD-25PH和PLH-25时,有可能会出现没有压住棱镜的情况。请在开始使用前确认棱镜是否被固定住了。
▶对于KKD型棱镜镜架,如果在调整后提起棱镜压块的话,棱镜台可能会动的,俯仰和方位等会发生偏离,所以调整后请不要再触动棱镜压块。
技术指标
主要材料铝合金
表面处理黑色氧化
适用元器件尺寸□10~□32 mm
调整范围 ( 俯仰 )±3°
调整范围 ( 方位 )±3°
分辨率 ( 俯仰 )约1.0°/周
分辨率 ( 方位 )约1.7°/周
自重0.45 kg





0755-83512170 手机/微信:13249819590  QQ:2577758288  邮箱:2577758288@qq.com            

你可能还喜欢
  • SIGMA 西格玛     N-5820P-D28     白色LED照明

    SIGMA 西格玛 N-5820P-D28 白色LED照明

  • SIGMA 西格玛    DRU-IF    暗室用小型换气扇(排气式)-复制

    SIGMA 西格玛 DRU-IF 暗室用小型换气扇(排气式)-复制

  • SIGMA 西格玛    DRU-VF   暗室用小型换气扇(排气式)

    SIGMA 西格玛 DRU-VF 暗室用小型换气扇(排气式)

  • SIGMA 西格玛       DRU-2819      简易暗室组件

    SIGMA 西格玛 DRU-2819 简易暗室组件

  • SIGMA 西格玛     DRU-2219       简易暗室组件

    SIGMA 西格玛 DRU-2219 简易暗室组件

  • SIGMA 西格玛     DRU-1816       简易暗室组件

    SIGMA 西格玛 DRU-1816 简易暗室组件

  • SIGMA 西格玛       DRU-1515     简易暗室组件

    SIGMA 西格玛 DRU-1515 简易暗室组件

  • SIGMA 西格玛       DRU-1212     简易暗室组件

    SIGMA 西格玛 DRU-1212 简易暗室组件

  • SIGMA 西格玛    SLB-25.4-SET        透镜套件

    SIGMA 西格玛 SLB-25.4-SET 透镜套件

  • SIGMA 西格玛     DRU-2017       简易暗室组件

    SIGMA 西格玛 DRU-2017 简易暗室组件

本站使用百度智能门户搭建 管理登录
粤ICP备2023023200号