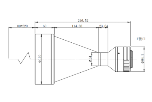
DEHONG 德鸿 WTL220-026XFF 远心镜头
基本参数
放大倍数(X)
0.26
物距
220
景深(mm)
9.8
远心度
<0.1
光学畸变
<0.1
光圈
F8
MTF>0.3(LP/MM)
110
相机接口
F
支持CCD尺寸
4/3
最大外径
130
视野范围(mm x mm)
4/3基恩士21M(17.8*14.3)
70.8*52.7
4/3 PYTHON12K (18.4*13.8)
70.8*53.1

0755-83512170 手机/微信:13249819590 QQ:2577758288 邮箱:2577758288@qq.com