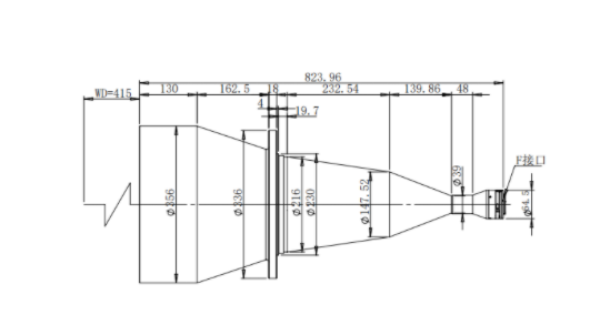
DEHONG 德鸿 WTL415-012X71 远心镜头
基本参数
放大倍数(X)
0.12
物距
415
景深(mm)
52.9
远心度
<0.1
光学畸变
<0.1
光圈
F9.2
MTF>0.3(LP/MM)
120
相机接口
F
支持CCD尺寸
38
最大外径
356
视野范围(mm x mm)
2" PYTHON 25K (23*23)
192*192
CHR 70M (31*21.7)
258.33*180.83

0755-83512170 手机/微信:13249819590 QQ:2577758288 邮箱:2577758288@qq.com