CR灿锐 XF-MT1X200D 远心镜头
产品参数
| 光学结构 | 物方远心 |
| 倍率 (X) | 1 |
| 工作距离(mm) | 200 |
| 物方视野φ(mm) | 11 |
| 像方视野(mm) | 11 |
| 远心设计值(°) | 0.19 |
| 景深(mm) | 1.6 |
| 光圈 | F14.3 |
| 分辨力(μm) | 9.4 |
| 光学畸变设计值(%) | 0.07 |
| 镜头接口 | C接口 |
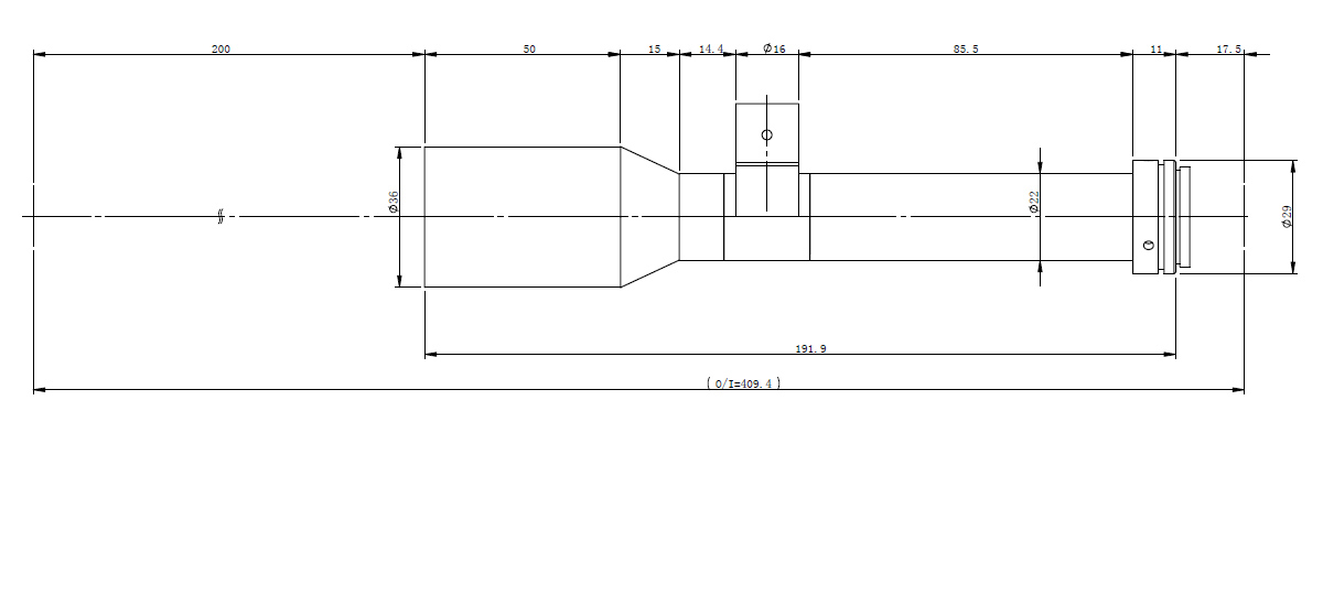
| O/I(mm) | 409.4 |
| 最大口径(mm) | 36 |
| 镜头总长(mm) | 191.9 |
| 芯片类型 | 2/3 |
| 芯片长 | 8.45 |
| 芯片宽 | 7.07 |
| 对角线 | 11 |
| 物方视野长 | 8.5 |
| 物方视野宽 | 7.1 |

外形图(点击可放大图形)

0755-83512170 手机/微信:13249819590 QQ:2577758288 邮箱:2577758288@qq.com