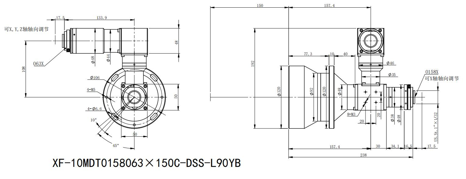
CR灿锐 XF-10MDT0158063X150C-DSS-L90YB 镜头
产品参数
| 视野(大/小) | 双视野 |
| 光学结构 | 双远心 |
| 工作 距离 (mm) | 150 |
| 倍率 (X) | 0.158/0.63 |
| 物方 视野 (mm) | 101.3/25.4 |
| 像方 视野 (mm) | 16 |
| 远心 设计值(°) | 0.02 |
| 光圈 | F6 |
| 像方MTF30 (LP/mm) | 165 |
| 光学 畸变设计值 (%) | 0.024%/0.02% |
| 景深 (mm) | 13.6/0.85 |

外形图(点击可放大图形)

0755-83512170 手机/微信:13249819590 QQ:2577758288 邮箱:2577758288@qq.com