DEHONG 德鸿 WTL51-1.31X35 远心镜头
基本参数
放大倍数(X)
1.31
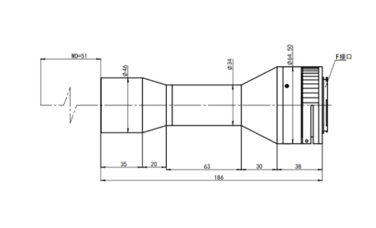
物距
51
景深(mm)
0.52
远心度
<0.1
光学畸变
<0.1
光圈
10.92
MTF>0.3(LP/MM)
95
相机接口
F/M58
支持CCD尺寸
43mm
最大外径
46
视野范围(mm x mm)
1.75 LiNeScan-4k(28.8)
22
KAI43142 (36*24)
27.5*18.3
8K‘’(8192*5um)
31.3

0755-83512170 手机/微信:13249819590 QQ:2577758288 邮箱:2577758288@qq.com