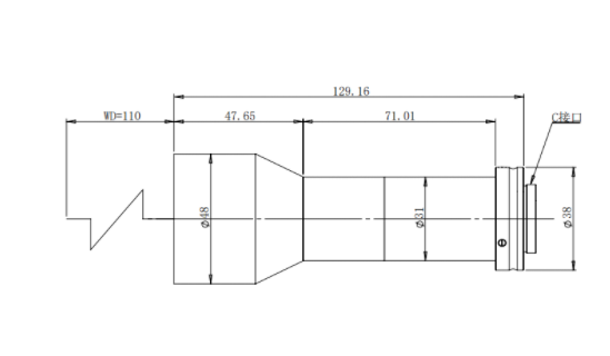
DEHONG 德鸿 WTL110-066X10 远心镜头
基本参数
放大倍数(X)
0.66
物距
110
景深(mm)
2.3
远心度
<0.1%
光学畸变
<0.1%
光圈
F11
MTF>0.3(LP/MM)
>160
相机接口
C
支持CCD尺寸
1
最大外径
48
视野范围(mm x mm)
1" CMV4000(11.26*11.26)
17.1*17.1
1" PYTHON5000 (12.4*9.8)
18.8*14.8
1" IMX255 (14.1*7.5)
21.4*11.4
1" IMX183 (13.1*8.7)
19.8*13.2

0755-83512170 手机/微信:13249819590 QQ:2577758288 邮箱:2577758288@qq.com