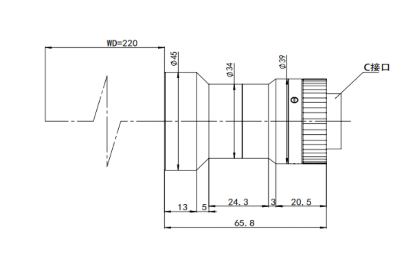
DEHONG 德鸿 WTL220-018X23-DZ 200线对远心镜头
基本参数
放大倍数(X)
0.18
物距
220
景深(mm)
12
远心度
0.08
光学畸变
0.08
光圈
F5
MTF>0.3(LP/MM)
120
相机接口
C
支持CCD尺寸
2/3
最大外径
45
视野范围(mm x mm)
2/3 IMX250/264 (8.4*7.1)
46.7*39.4
2/3 PYTHON2000 (9.2*5.7)
51.1*31.7
2/3 ICX674 (8.7*6.5)
48.3*36.1

0755-83512170 手机/微信:13249819590 QQ:2577758288 邮箱:2577758288@qq.com