DEHONG 德鸿 WTL505-008XFF 远心镜头
基本参数
放大倍数(X)
0.08
物距
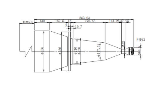
505
景深(mm)
99.999
远心度
<0.1
光学畸变
<0.1
光圈
F8
MTF>0.3(LP/MM)
120
相机接口
F
支持CCD尺寸
4/3
最大外径
356
视野范围(mm x mm)
4/3基恩士21M(17.8*14.3)
230*171.3
4/3 PYTHON12K (18.4*13.8)
230*172.5

0755-83512170 手机/微信:13249819590 QQ:2577758288 邮箱:2577758288@qq.com