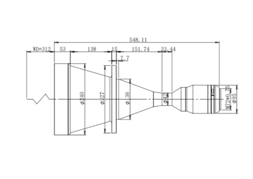
DEHONG 德鸿 WTL312-0308X61 远心镜头
基本参数
放大倍数(X)
0.308
物距
312
景深(mm)
7.8
远心度
<0.1
光学畸变
<0.1
光圈
F9
MTF>0.3(LP/MM)
95
相机接口
M72
支持CCD尺寸
60mm
最大外径
240
视野范围(mm x mm)
KAI43142 (36*24)
116.9*77.9
KAI-47051 (48.7*29)
158.1*94.2
Linesean-16K (57.4)
186.4

0755-83512170 手机/微信:13249819590 QQ:2577758288 邮箱:2577758288@qq.com