DEHONG 德鸿 WTL260-0243X30 远心镜头
基本参数
放大倍数(X)
0.243
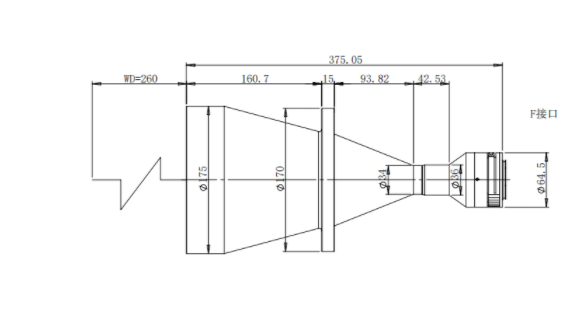
物距
260
景深(mm)
14.2
远心度
<0.1
光学畸变
<0.1
光圈
F10.1
MTF>0.3(LP/MM)
80
相机接口
F
支持CCD尺寸
2
最大外径
175
视野范围(mm x mm)
2" DALSA 12M (24.5*18.4)
101.2*75.8
2" PYTHON 25K (23*23)
94.8*94.8

0755-83512170 手机/微信:13249819590 QQ:2577758288 邮箱:2577758288@qq.com